扫描电子显微镜作为材料表征工具,广泛应用于材料科学、微电子、生物医学等领域。为了保证成像的分辨率和稳定性,通常采用高真空环境下对样品进行观察,高真空环境可以减少电子束受到气体分子的干扰,更适用于观察导电样品,但遇到非导电样品以及含水样品,如橡胶、陶瓷以及生物类样品时,会产生一系列问题,如荷电现象、图像漂移和景深变小等。
为解决此类问题,通常会对样品进行镀膜处理,常用的镀层元素有Pt、Au和C。但镀膜处理会使样品表面细节被覆盖,EDS定量分析的准确度受影响,以及某些样品后期无法重复利用。
纳克微束钨灯丝扫描电子显微镜(型号:SE-800)标配低真空模式,可实现高低真空的一键切换,无需镀膜处理即可观测导电性差或非导电的样品。
低真空环境是在样品腔室内引入少量气体分子(氮气、水蒸气等),入射电子束与样品相互作用时会激发信号,入射电子束和激发的信号会使气体分子电离产生正离子,这些正离子可中和样品表面积累的负电荷,进而减轻甚至消除荷电效应,保证了成像稳定清晰。

图片来源于SEM A to Z
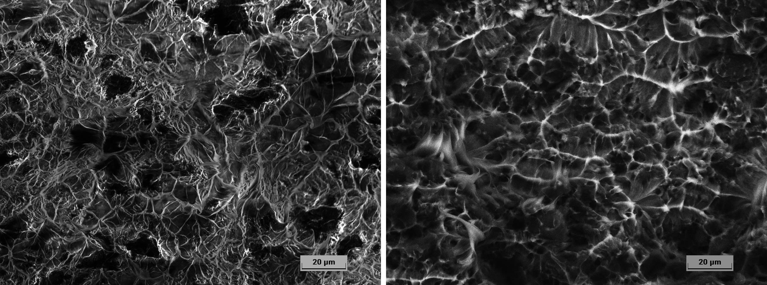
以下是使用SE-800拍摄的一些典型案例,对比了高低真空下非导电样品的成像效果。

聚合物断口(左:高真空 右:低真空)

陶瓷(左:高真空 右:低真空)
橡胶(左:高真空 右:低真空)
水泥(左:高真空 右:低真空)
红花(左:高真空 右:低真空)